Operation CHARM: Car repair manuals for everyone.

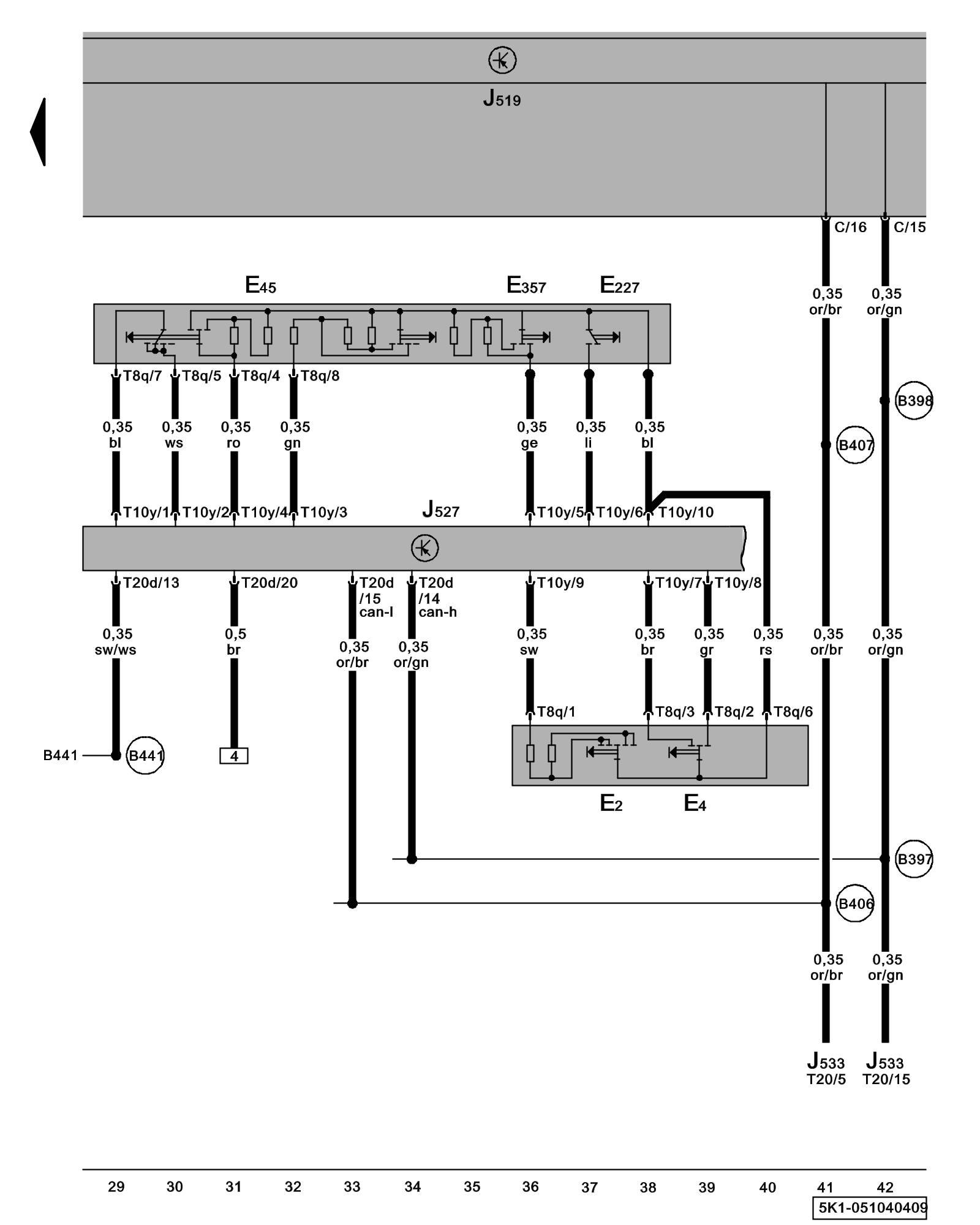
Diagram 51/4 (Tracks 29-42)






IMPORTANT NOTE:
This manufacturer uses "Track" style wiring diagrams.
For information on how to use these diagrams effectively, please refer to Diagram Information and Instructions. Diagram Information and Instructions


Steering Column Electronic Systems Control Module, Cruise Control Switch, Automatic Distance Control Button, Cruise Control -SET- Button, Turn Signal Switch, Headlamp Dimmer/Flasher Switch





ws = white
sw = black
ro = red
br = brown
gn = green
bl = blue
gr = grey
li = lilac
ge = yellow
or = orange
rs = pink

E2 - Turn Signal Switch

E4 - Headlamp Dimmer/Flasher Switch

E45 - Cruise Control Switch

E227 - Cruise Control -SET- Button

E357 - Automatic Distance Control Button

J519 - Vehicle Electrical System Control Module Control modules in front part of vehicle - Overview of Control Modules

J527 - Steering Column Electronic Systems Control Module Control modules in front part of vehicle - Overview of Control Modules

J533 - Data Bus On Board Diagnostic Interface, in left footwell, near center console Control modules in front part of vehicle - Overview of Control Modules

T8q - 8-Pin Connector

T10y - 10-Pin Connector

T20 - 20-Pin Connector

(B397) - Comfort System CAN-Bus High Connection 1 (in main wiring harness)

(B398) - Comfort System CAN-Bus High Connection 2 (in main wiring harness)

(B406) - Comfort System CAN-Bus Low Connection 1 (in main wiring harness)

(B407) - Comfort System CAN-Bus Low Connection 2 (in main wiring harness)

(B441) - Cruise Control Connection (in main wiring harness)

Previous Diagram 51/3 (Tracks 15-28)