Operation CHARM: Car repair manuals for everyone.

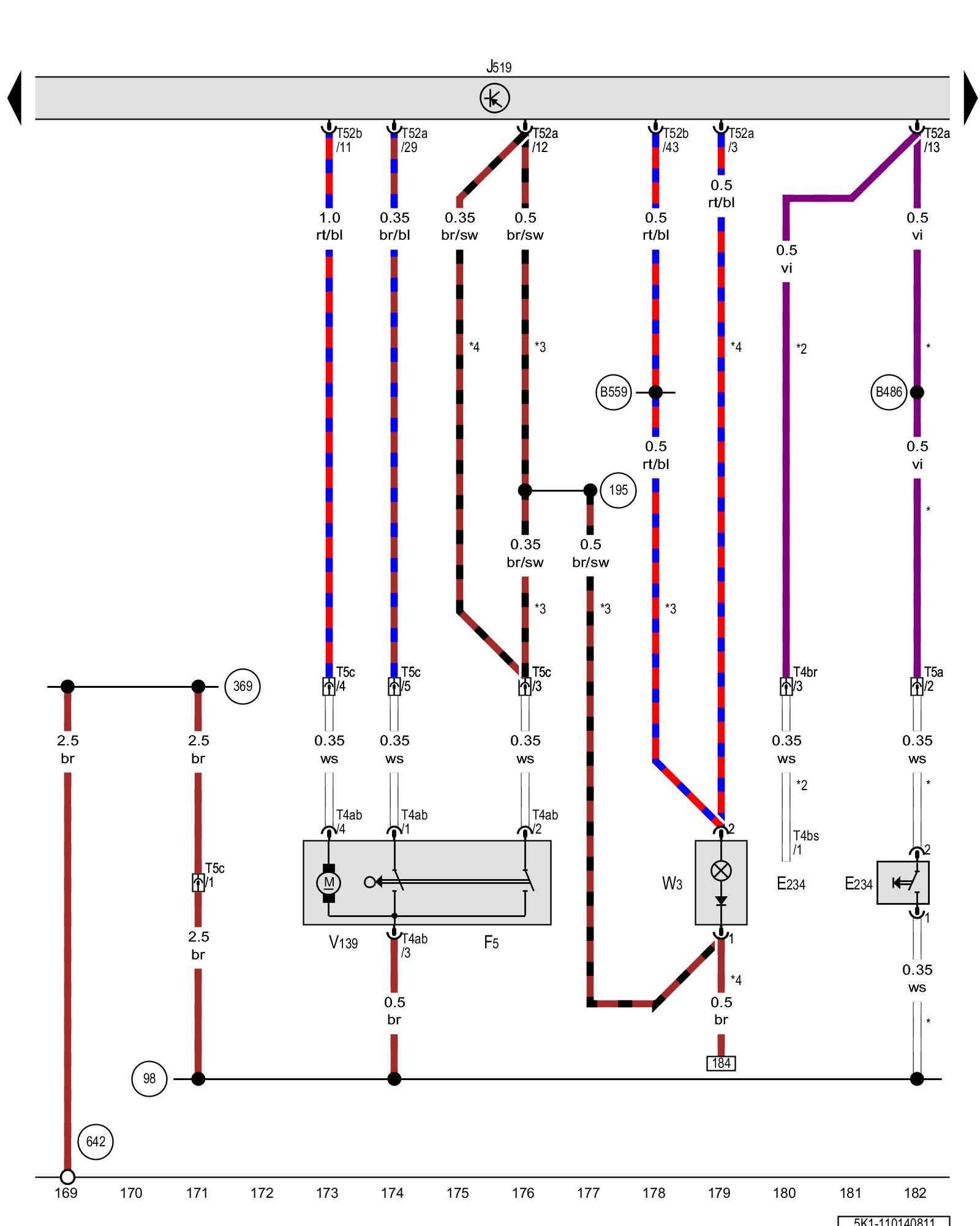
Diagram 110/14 (Tracks 169-182)






IMPORTANT NOTE:
This manufacturer uses "Track" style wiring diagrams.
For information on how to use these diagrams effectively, please refer to Diagram Information and Instructions. Diagram Information and Instructions


Release button in rear lid handle, Luggage compartment lamp switch, Rear lid unlock motor, Luggage compartment lamp





ws = white
sw = black
ro = red
br = brown
gn = green
bl = blue
gr = grey
li = lilac
ge = yellow
or = orange
rs = pink

E234 - Release button in rear lid handle

F5 - Luggage compartment lamp switch Locations

J519 - Vehicle electrical system control module Control modules in front part of vehicle - Overview of Control Modules

T4ab - 4-pin connector

T4br - 4-pin connector, behind the right C-pillar trim panel Overview of connector stations and connectors

T4bs - 4-pin connector

T5a - 5-pin connector, in the left rear side panel Overview of connector stations and connectors

T5c - 5-pin connector, in the left rear side panel Overview of connector stations and connectors

T52a - 52-pin connector

T52b - 52-pin connector

V139 - Rear lid unlock motor Locations

W3 - Luggage compartment lamp

(98) - Ground connection (in rear lid wiring harness)

(195) - Ground connection (in rear door contact switch wiring harness)

(369) - Ground connection 4 (in main wiring harness)

(642) - Electronic fan control ground connection

(B486) - Connection 22 (in main wiring harness)

(B559) - Positive connection 1 (30g) (in main wiring harness)

* - Only for vehicles without a rearview camera system

*2 - Only for vehicles with a rearview camera system

*3 - Through April 2011

*4 - From May 2011

Previous Diagram 110/13 (Tracks 155-168)

Next Diagram 110/15 (Tracks 183-196)