Operation CHARM: Car repair manuals for everyone.

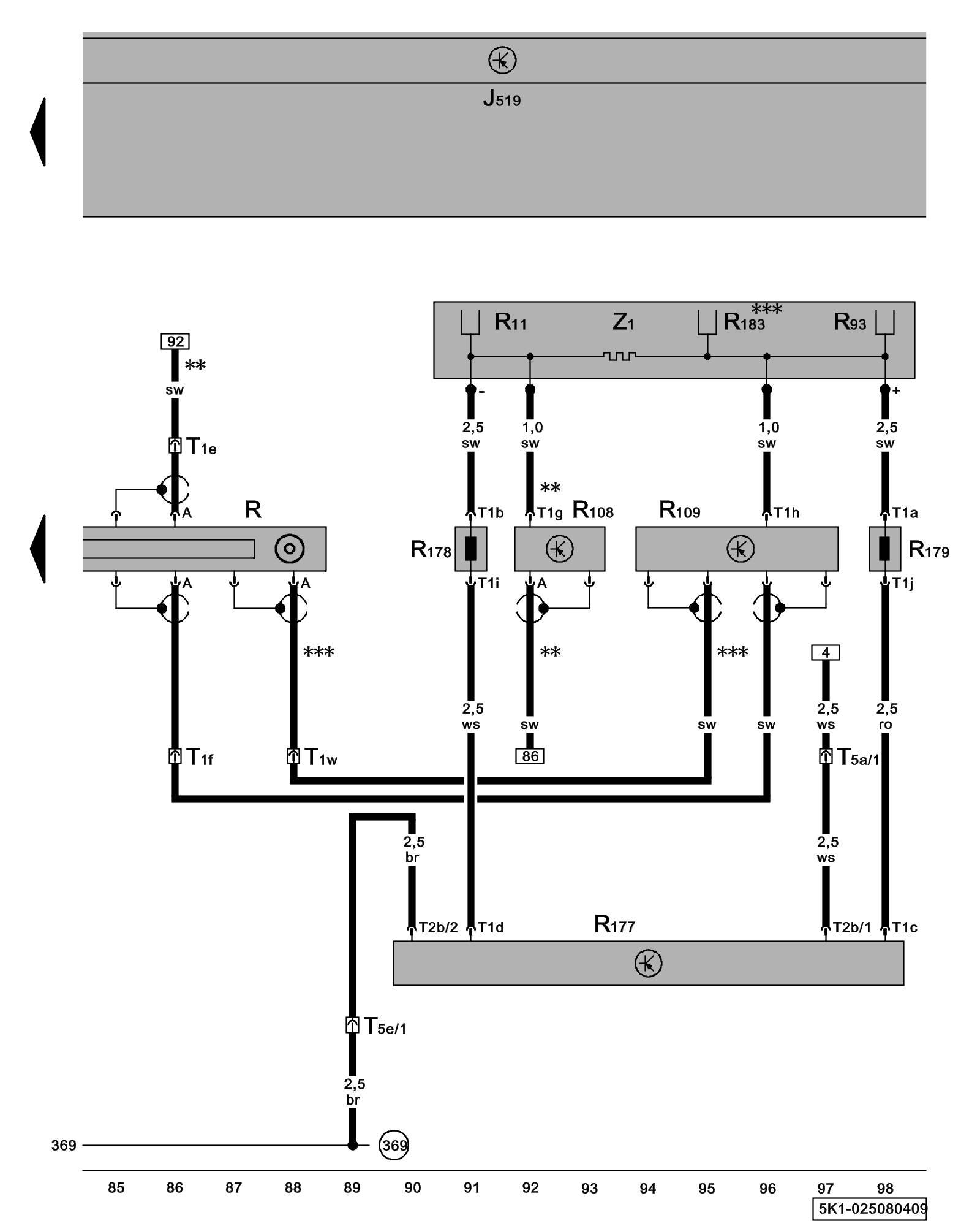
Diagram 25/8 (Tracks 85-98)






IMPORTANT NOTE:
This manufacturer uses "Track" style wiring diagrams.
For information on how to use these diagrams effectively, please refer to Diagram Information and Instructions. Diagram Information and Instructions


Radio, Antennas, Heated Rear Window, Antenna Modules, AM and FM Frequency Filter





ws = white
sw = black
ro = red
br = brown
gn = green
bl = blue
gr = grey
li = lilac
ge = yellow
or = orange
rs = pink

J519 - Vehicle Electrical System Control Module Control modules in front part of vehicle - Overview of Control Modules

R - Radio
Locations

R11 - Antenna

R93 - Radio Antenna 2

R108 - Left Antenna Module
Locations

R109 - Right Antenna Module
Locations

R177 - AM Frequency Filter, in rear lid
Locations

R178 - FM Frequency Filter (in negative wire)
Locations

R179 - FM Frequency Filter (in positive wire)
Locations

R183 - Digital Radio Antenna

T1a - Single Connector

T1b - Single Connector

T1c - Single Connector

T1d - Single Connector

T1e - Single Connector, behind right C-pillar trim Overview of connector stations and connectors

T1f - Single Connector, behind right C-pillar trim Overview of connector stations and connectors

T1g - Single Connector

T1h - Single Connector

T1i - Single Connector

T1j - Single Connector

T1w - Single Connector, behind right C-pillar trim

T2b - Double Connector

T5a - 5-Pin Connector, black, in left rear side panel Overview of connector stations and connectors

T5e - 5-Pin Connector, pink, in left rear side panel Overview of connector stations and connectors

Z1 - Heated Rear Window

(369) - Ground Connection 4 (in main wiring harness)

** - Only radio systems with Diversity

*** - Only Digital Radio Antenna

Previous Diagram 25/7 (Tracks 71-84)