Operation CHARM: Car repair manuals for everyone.

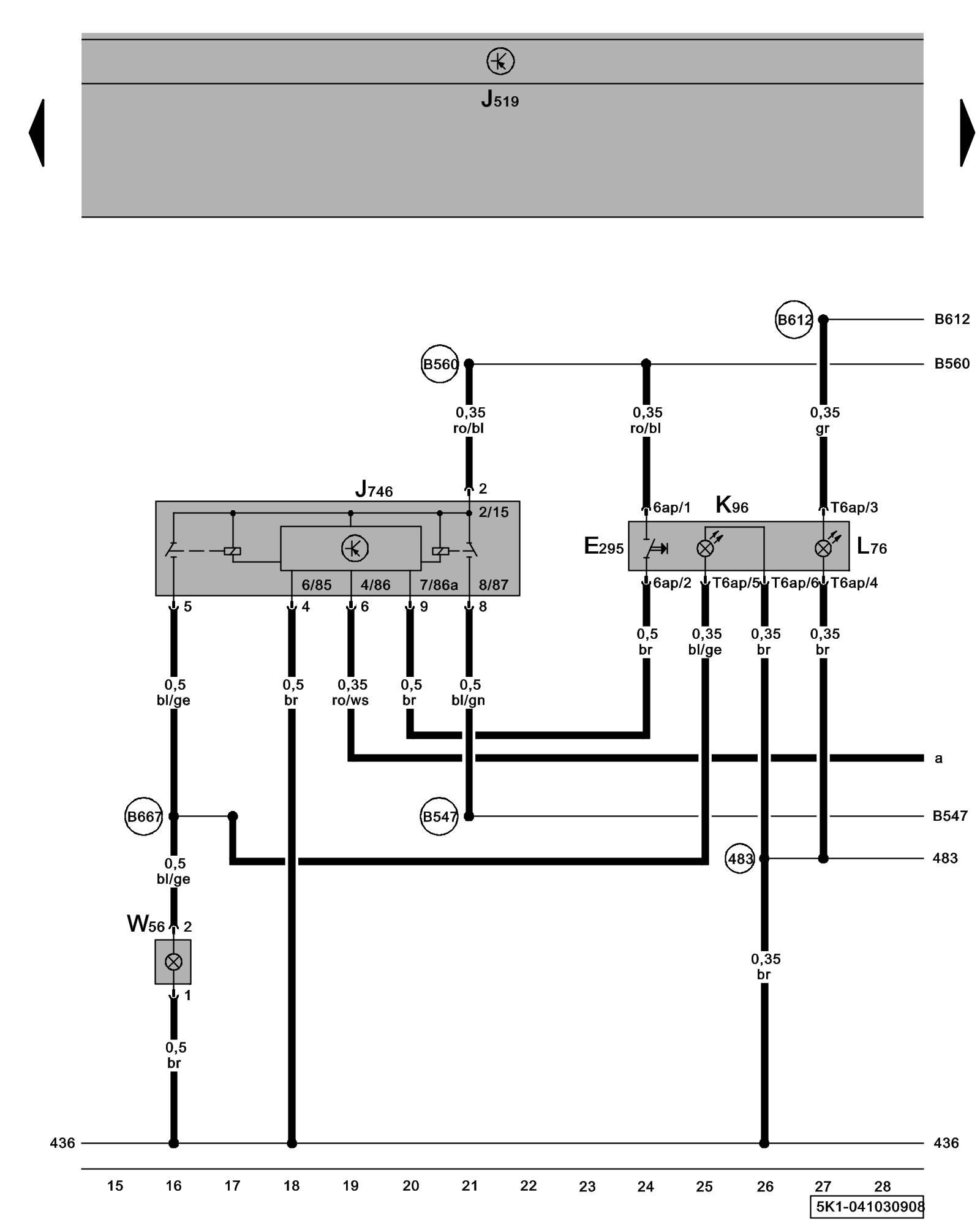
Diagram 41/3 (Tracks 15-28)






IMPORTANT NOTE:
This manufacturer uses "Track" style wiring diagrams.
For information on how to use these diagrams effectively, please refer to Diagram Information and Instructions. Diagram Information and Instructions


Driving School Operation Relay, Footwell Illumination Switch, Driving School Footwell Illumination





ws = white
sw = black
ro = red
br = brown
gn = green
bl = blue
gr = grey
li = lilac
ge = yellow
or = orange
rs = pink

E295 - Footwell Illumination Switch

J519 - Vehicle Electrical System Control Module Control modules in front part of vehicle - Overview of Control Modules

J746 - Driving School Operation Relay

K96 - Warning Lamp

L76 - Push Button Illumination

T6ap - 6-Pin Connector

W56 - Driving School Footwell Illumination

(483) - Ground Connection 3 (in driving school wiring harness)

(B547) - Connection 1 (in driving school wiring harness)

(B560) - Plus Connection 1 (30g) (in driving school wiring harness)

(B612) - Plus Connection (58d) (in driving school wiring harness)

(B667) - Connection 2 (in driving school wiring harness)

Previous Diagram 41/2 (Tracks 1-14)

Next Diagram 41/4 (Tracks 29-42)