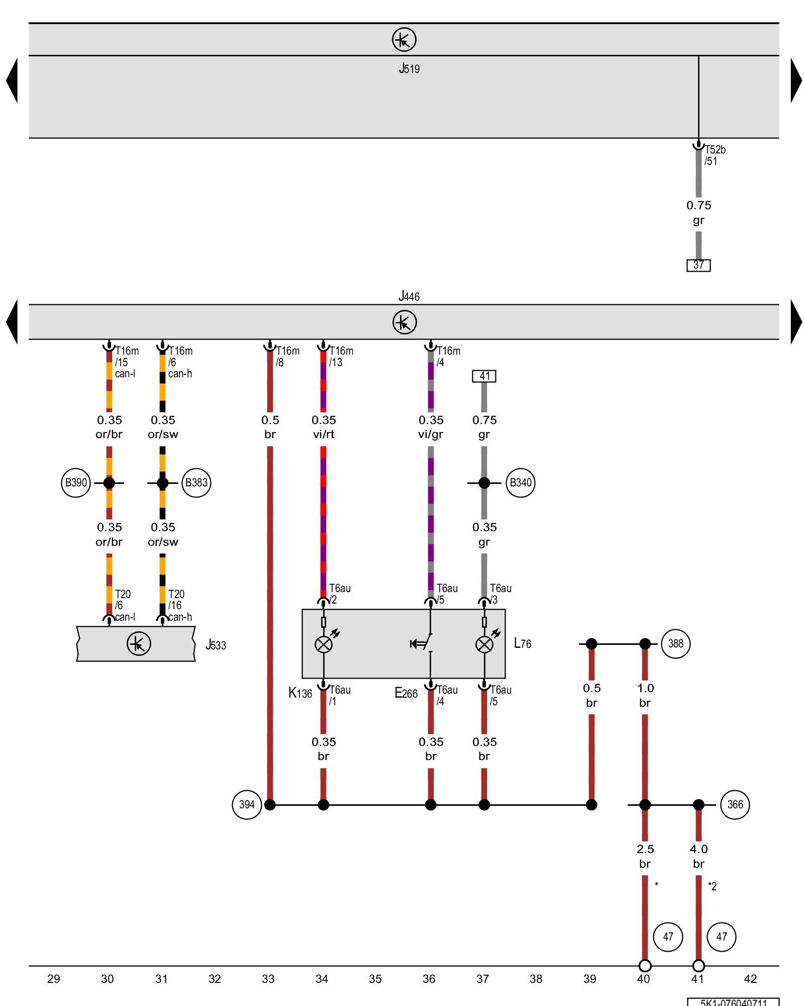
Diagram 76/4 (Tracks 29-42)
IMPORTANT NOTE:
This manufacturer uses "Track" style wiring diagrams.
For information on how to use these diagrams effectively, please refer to Diagram Information and Instructions. Diagram Information and Instructions
Parking aid button, Parking aid control module, Data bus on board diagnostic interface

ws = white
sw = black
ro = red
br = brown
gn = green
bl = blue
gr = grey
li = lilac
ge = yellow
or = orange
rs = pink
E266 - Parking aid button Parking Aid System Parking Aid Button -E266-
J446 - Parking aid control module, behind the instrument panel, left Control modules in front part of vehicle - Overview of Control Modules Parking Aid Control Module -J446-
J519 - Vehicle electrical system control module Control modules in front part of vehicle - Overview of Control Modules
J533 - Data bus on board diagnostic interface, in the left footwell, near the center console Control modules in front part of vehicle - Overview of Control Modules
K136 - Parking aid indicator lamp
L76 - Push button illumination bulb
T6au - 6-pin connector
T16m - 16-pin connector
T20 - 20-pin connector
T52b - 52-pin connector
(47) - Ground connection in right front footwell Overview Of Ground Connections in Interior
(366) - Ground connection 1 (in main wiring harness)
(388) - Ground connection 23 (in main wiring harness)
(394) - Ground connection 29 (in main wiring harness)
(B340) - Connection 1 (58d) (in main wiring harness)
(B383) - Powertrain CAN bus high connection 1 (in main wiring harness)
(B390) - Powertrain CAN bus low connection 1 (in main wiring harness)
* - Only for vehicles without Start/Stop system
*2 - Only for vehicles with Start/Stop system
Previous Diagram 76/3 (Tracks 15-28)
Next Diagram 76/5 (Tracks 43-56)