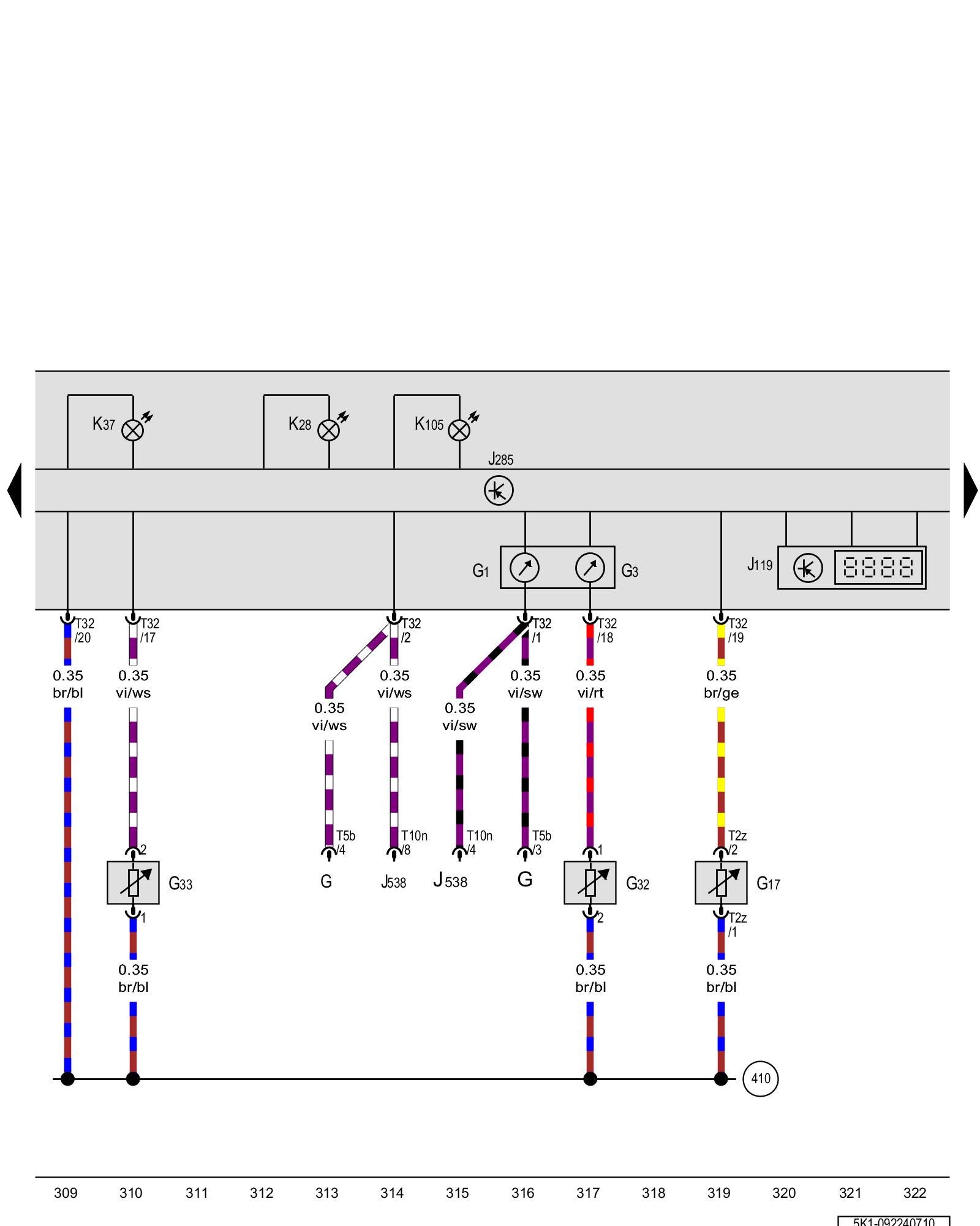
Diagram 92/24 (Tracks 309-322)
IMPORTANT NOTE:
This manufacturer uses "Track" style wiring diagrams.
For information on how to use these diagrams effectively, please refer to Diagram Information and Instructions. Diagram Information and Instructions
Fuel gauge, Engine coolant temperature gauge, Outside air temperature sensor, Engine coolant level sensor, Windshield washer fluid level sensor, Multifunction indicator, Instrument cluster control module, Engine coolant level/temperature indicator lamp, Windshield washer fluid level indicator lamp

ws = white
sw = black
ro = red
br = brown
gn = green
bl = blue
gr = grey
li = lilac
ge = yellow
or = orange
rs = pink
G - Fuel level sensor Fuel Pumps and Sensors
G1 - Fuel gauge
G3 - Engine coolant temperature gauge
G17 - Outside air temperature sensor Locations
G32 - Engine coolant level sensor Cooling System Components Overview
G33 - Windshield washer fluid level sensor
J119 - Multifunction indicator
J285 - Instrument cluster control module
J538 - Fuel pump control module Control Modules in The Rear Of The Vehicle
K28 - Engine coolant level/temperature indicator lamp
K37 - Windshield washer fluid level indicator lamp
K105 - Low fuel level indicator lamp
T2z - Double connector
T5b - 5-pin connector
T10n - 10-pin connector
T32 - 32-pin connector
(410) - Sensor ground connection 1 (in main wiring harness)
Previous Diagram 92/23 (Tracks 295-308)
Next Diagram 92/25 (Tracks 323-336)