Operation CHARM: Car repair manuals for everyone.

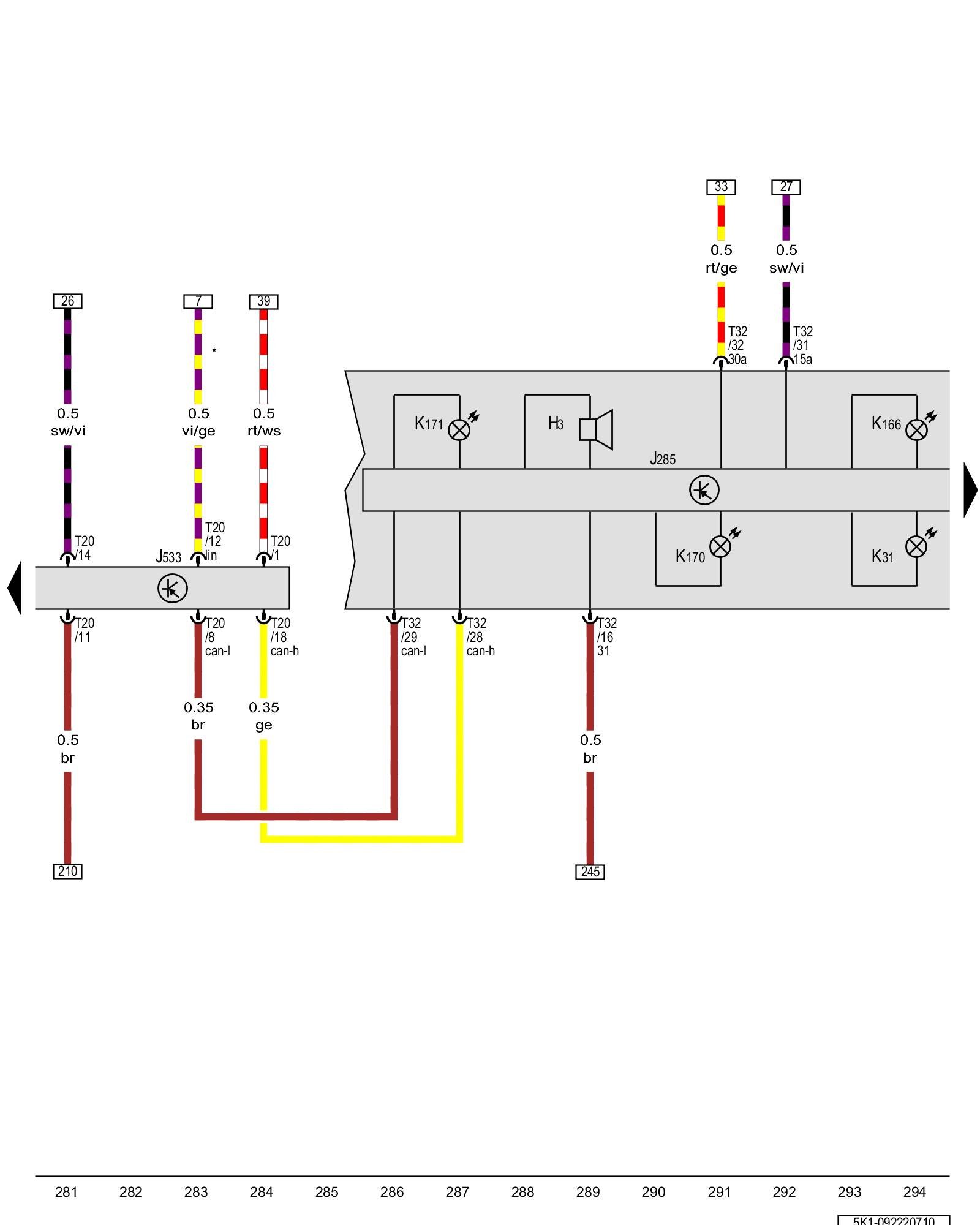
Diagram 92/22 (Tracks 281-294)






IMPORTANT NOTE:
This manufacturer uses "Track" style wiring diagrams.
For information on how to use these diagrams effectively, please refer to Diagram Information and Instructions. Diagram Information and Instructions


Warning buzzer and tone, Instrument cluster control module, Data bus on board diagnostic interface, Cruise control indicator lamp, Door ajar indicator lamp, Lamp failure indicator lamp, Hood -open- indicator lamp





ws = white
sw = black
ro = red
br = brown
gn = green
bl = blue
gr = grey
li = lilac
ge = yellow
or = orange
rs = pink

H3 - Warning buzzer and tone

J285 - Instrument cluster control module

J533 - Data bus on board diagnostic interface, in the left footwell, near the center console Control modules in front part of vehicle - Overview of Control Modules

K31 - Cruise control indicator lamp

K166 - Door ajar indicator lamp

K170 - Lamp failure indicator lamp

K171 - Hood -open- indicator lamp

T20 - 20-pin connector

T32 - 32-pin connector

* - Only for vehicles with Start/Stop system

Previous Diagram 92/21 (Tracks 267-280)

Next Diagram 92/23 (Tracks 295-308)