Operation CHARM: Car repair manuals for everyone.

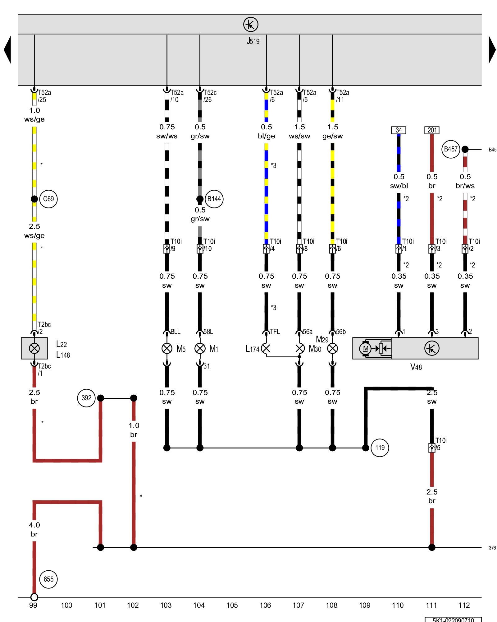
Diagram 92/9 (Tracks 99-112)






IMPORTANT NOTE:
This manufacturer uses "Track" style wiring diagrams.
For information on how to use these diagrams effectively, please refer to Diagram Information and Instructions. Diagram Information and Instructions


Left front fog lamp bulb, Left cornering lamp bulb, Left daytime running lamp bulb, Left side marker lamp bulb, Left front turn signal bulb, Left low beam headlamp bulb, Left high beam headlamp bulb, Left headlamp beam adjustment motor





ws = white
sw = black
ro = red
br = brown
gn = green
bl = blue
gr = grey
li = lilac
ge = yellow
or = orange
rs = pink

J519 - Vehicle electrical system control module Control modules in front part of vehicle - Overview of Control Modules

L22 - Left front fog lamp bulb

L148 - Left cornering lamp bulb

L174 - Left daytime running lamp bulb

M1 - Left side marker lamp bulb

M5 - Left front turn signal bulb

M29 - Left low beam headlamp bulb

M30 - Left high beam headlamp bulb

T2bc - Double connector

T10i - 10-pin connector, on the left headlamp

T52a - 52-pin connector

T52c - 52-pin connector

V48 - Left headlamp beam adjustment motor

(119) - Ground connection 1 (in headlamp wiring harness)

(376) - Ground connection 11 (in main wiring harness)

(392) - Ground connection 27 (in main wiring harness)

(655) - Ground connection on left headlamp

(B144) - Positive connection (58L) (in interior wiring harness)

(B457) - Position sensor connection 1 (in main wiring harness)

(C69) - Fog lamp connection (in left front wiring harness)

* - Only for vehicles with fog lamps

*2 - Only for vehicles without automatic headlamp range control

*3 - Only for vehicles with daytime running lamps

Previous Diagram 92/8 (Tracks 85-98)

Next Diagram 92/10 (Tracks 113-126)