Operation CHARM: Car repair manuals for everyone.

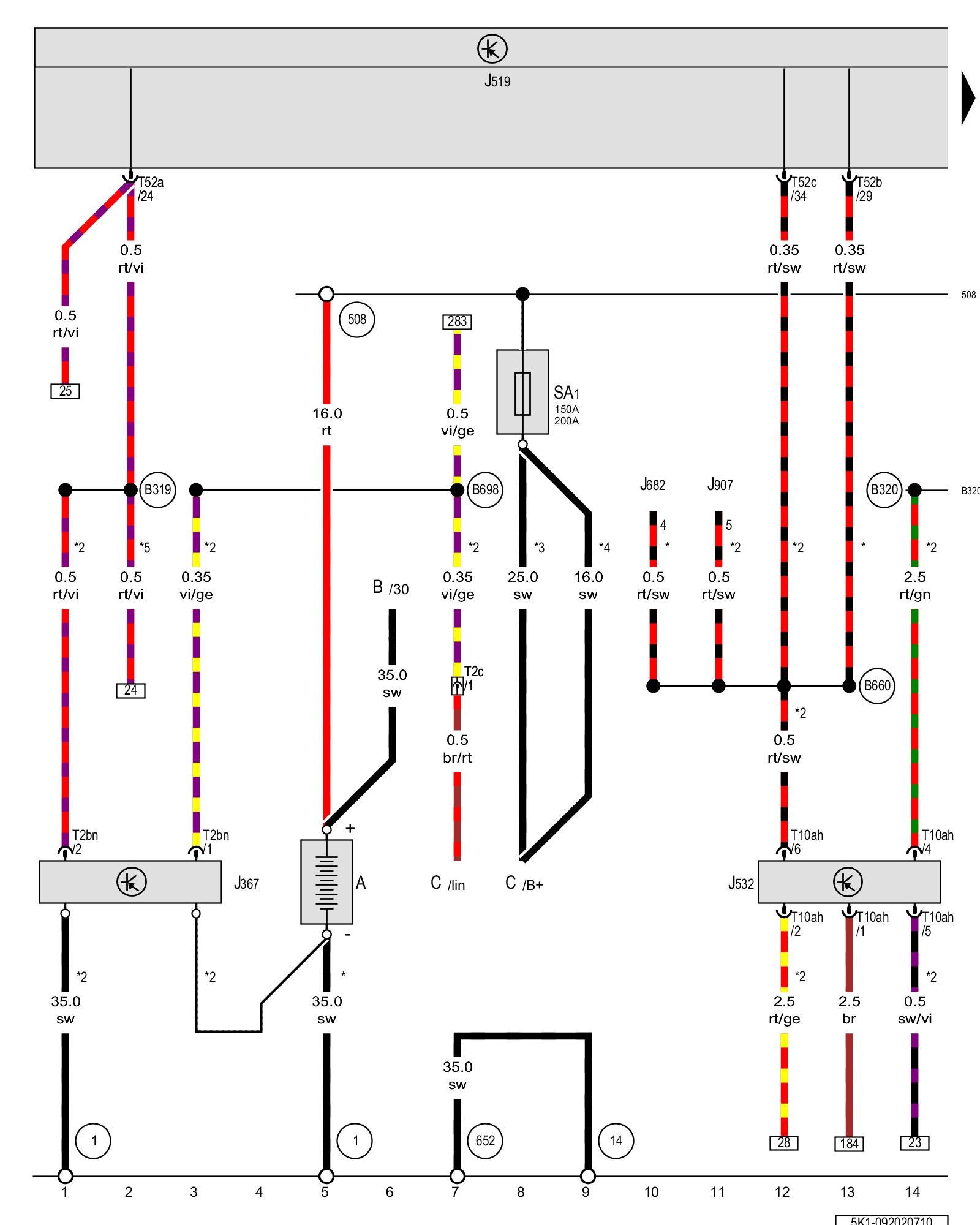
Diagram 92/2 (Tracks 1-14)






IMPORTANT NOTE:
This manufacturer uses "Track" style wiring diagrams.
For information on how to use these diagrams effectively, please refer to Diagram Information and Instructions. Diagram Information and Instructions


Battery, Battery monitoring control module, Voltage stabilizer, Fuse 1 (on fuse panel A)





ws = white
sw = black
ro = red
br = brown
gn = green
bl = blue
gr = grey
li = lilac
ge = yellow
or = orange
rs = pink

A - Battery

B - Starter

C - Generator

J367 - Battery monitoring control module

J519 - Vehicle electrical system control module Control modules in front part of vehicle - Overview of Control Modules

J532 - Voltage stabilizer

J682 - Terminal 50 power supply relay Overview Of Relay Carrier

J907 - Starter relay 2 Overview Of Relay Carrier

SA1 - Fuse 1 (on fuse panel A) Fuse overview (SA), (SB), (SC)

T2bn - Double connector

T2c - Double connector, near the starter Overview of connector stations and connectors

T10ah - 10-pin connector

T52a - 52-pin connector

T52b - 52-pin connector

T52c - 52-pin connector

(1) - Ground strap, battery to body

(14) - Ground connection on transmission

(508) - Terminal 30 threaded connection (on E-box)

(652) - Transmission/engine ground connection

(B319) - Positive connection 5 (30a) (in main wiring harness)

(B320) - Positive connection 6 (30a) (in main wiring harness)

(B660) - Diagnostic terminal 50 connection (in main wiring harness)

(B698) - LIN bus connection 3 (in main wiring harness)

* - Only for vehicles without Start/Stop system

*2 - Only for vehicles with Start/Stop system

*3 - Only for vehicles with a generator (140 A)

*4 - Only for vehicles with 90 A/120 A generator

*5 - From May 2009

Next Diagram 92/3 (Tracks 15-28)