Operation CHARM: Car repair manuals for everyone.

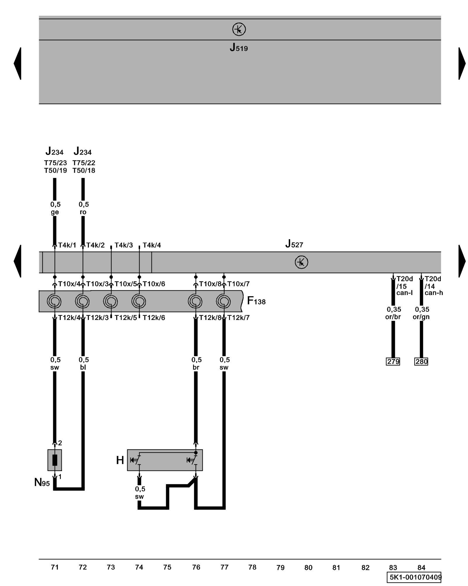
Diagram 1/7 (Tracks 71-84)






IMPORTANT NOTE:
This manufacturer uses "Track" style wiring diagrams.
For information on how to use these diagrams effectively, please refer to Diagram Information and Instructions. Diagram Information and Instructions


Steering Column Electronic Systems Control Module, Driver's Airbag Igniter, Signal Horn Activation





ws = white
sw = black
ro = red
br = brown
gn = green
bl = blue
gr = grey
li = lilac
ge = yellow
or = orange
rs = pink

F138 - Airbag Spiral Spring Airbag Systems Overview

H - Signal Horn Activation

J234 - Airbag Control Module Control modules in front part of vehicle - Overview of Control Modules

J519 - Vehicle Electrical System Control Module Control modules in front part of vehicle - Overview of Control Modules

J527 - Steering Column Electronic Systems Control Module Control modules in front part of vehicle - Overview of Control Modules

N95 - Driver's Airbag Igniter Airbag Systems Overview

T4k - 4-Pin Connector

T10x - 10-Pin Connector

T12k - 12-Pin Connector

T20d - 20-Pin Connector

T50 - 50-Pin Connector

T75 - 75-Pin Connector

Previous Diagram 1/6 (Tracks 57-70)

Next Diagram 1/8 (Tracks 85-98)