Operation CHARM: Car repair manuals for everyone.

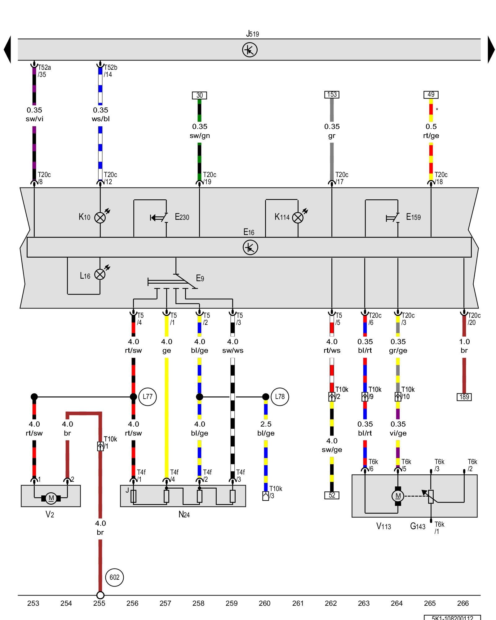
Diagram 108/20 (Tracks 253-266)






IMPORTANT NOTE:
This manufacturer uses "Track" style wiring diagrams.
For information on how to use these diagrams effectively, please refer to Diagram Information and Instructions. Diagram Information and Instructions


Fresh air blower switch, Heater/heat output switch, Fresh air blower series resistor with fuse, Fresh air blower, Recirculation door motor





ws = white
sw = black
ro = red
br = brown
gn = green
bl = blue
gr = grey
li = lilac
ge = yellow
or = orange
rs = pink

E9 - Fresh air blower switch Climatic (Manual Climate Control) A/C System w/ Manual Control Overview

E16 - Heater/heat output switch, in the engine compartment, right

E159 - Fresh air/recirculation door switch Climatic (Manual Climate Control) A/C System w/ Manual Control Overview

E230 - Rear window defogger button Climatic (Manual Climate Control) A/C System w/ Manual Control Overview

G143 - Recirculation door motor position sensor Climatic (Manual Climate Control) A/C System w/ Manual Control Overview

J519 - Vehicle electrical system control module Control modules in front part of vehicle - Overview of Control Modules

K10 - Rear window defogger indicator lamp

K114 - Fresh air and recirculation mode indicator lamp

L16 - Fresh air control illumination bulb

N24 - Fresh air blower series resistor with fuse Climatic (Manual Climate Control) A/C System w/ Manual Control Overview [1][2]Blower Motor Resistor

T4f - 4-pin connector

T5 - 5-pin connector

T6k - 6-pin connector

T10k - 10-pin connector, behind the instrument panel, right Overview of connector stations and connectors

T20c - 20-pin connector

T52a - 52-pin connector

T52b - 52-pin connector

V2 - Fresh air blower Climatic (Manual Climate Control) A/C System w/ Manual Control Overview [1][2]Blower Motor

V113 - Recirculation door motor Climatic (Manual Climate Control) A/C System w/ Manual Control Overview [1][2]Air Door Actuator / Motor, HVAC

(602) - Ground connection in left front footwell Overview Of Ground Connections in Interior

(L77) - Connection (in fresh air blower wiring harness)

(L78) - Connection 1 (in fresh air blower wiring harness)

* - Only for vehicles with auxiliary water heater

Previous Diagram 108/19 (Tracks 239-252)

Next Diagram 108/21 (Tracks 267-280)