Operation CHARM: Car repair manuals for everyone.

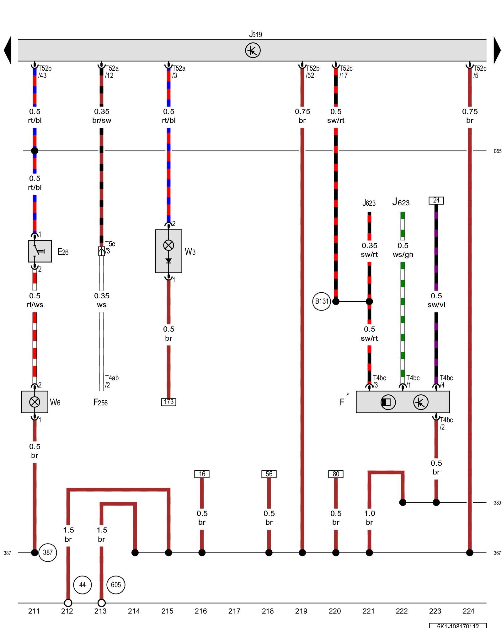
Diagram 108/17 (Tracks 211-224)






IMPORTANT NOTE:
This manufacturer uses "Track" style wiring diagrams.
For information on how to use these diagrams effectively, please refer to Diagram Information and Instructions. Diagram Information and Instructions


Glove compartment lamp switch, Brake lamp switch, Luggage compartment lamp, Glove compartment lamp





ws = white
sw = black
ro = red
br = brown
gn = green
bl = blue
gr = grey
li = lilac
ge = yellow
or = orange
rs = pink

E26 - Glove compartment lamp switch

F - Brake lamp switch ABS Mark 70 (ABS/ASR) [1][2]Brake Light Switch

F256 - Rear lid lock unit Locations

J519 - Vehicle electrical system control module Control modules in front part of vehicle - Overview of Control Modules

J623 - Engine control module Control modules in front part of vehicle - Overview of Control Modules

T4ab - 4-pin connector

T4bc - 4-pin connector

T5c - 5-pin connector, in the left rear side panel Overview of connector stations and connectors

T52a - 52-pin connector

T52b - 52-pin connector

T52c - 52-pin connector

W3 - Luggage compartment lamp

W6 - Glove compartment lamp

(44) - Ground connection on A-pillar, lower left Overview Of Ground Connections in Interior

(367) - Ground connection 2 (in main wiring harness)

(387) - Ground connection 22 (in main wiring harness)

(389) - Ground connection 24 (in main wiring harness)

(605) - Ground connection on upper steering column Overview Of Ground Connections in Interior

(B131) - Connection (54) (in interior wiring harness)

(B559) - Positive connection 1 (30g) (in main wiring harness)

* - Refer to applicable engine wiring diagram

Previous Diagram 108/16 (Tracks 197-210)

Next Diagram 108/18 (Tracks 225-238)