Oil Pump: Service and Repair
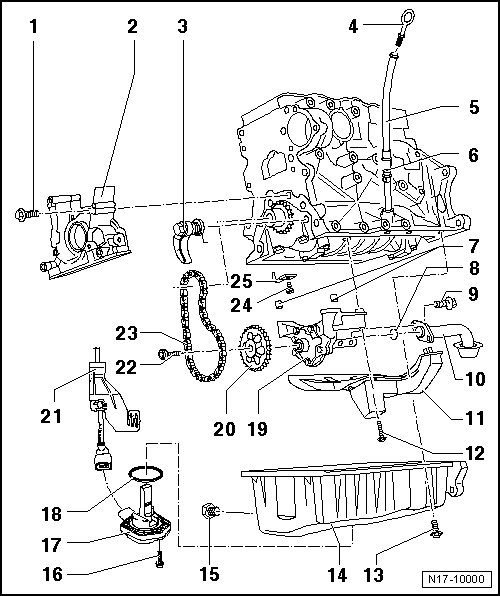
Oil Pump/Oil Pan Overview

1 Bolt
• 15 Nm
2 Sealing Flange
• With the seal.
• Must be located on the alignment sleeves.
• Removing and installing, refer to => [ Sealing Flange, Belt Pulley Side ] Service and Repair.
• Install using silicone sealant (D 176 404 A2).
• Do not lubricate or grease the sealing lip on the seal.
• Wipe off any oil on the crankshaft journal with a clean cloth before installing.
3 Chain Tensioner with Tensioning Rail
• 15 Nm
• When installing, pretension the spring and hook in.
4 Oil Dipstick
• The oil level must not be above the Max. mark!
• Marks, refer to => [ Engine Oil Level, Checking ] Testing and Inspection.
5 Guide Tube, Upper
6 Guide Tube, Lower
7 Alignment Sleeve
8 O-ring
• Always replace.
9 Bolt
• 15 Nm
10 Suction Pipe
• Clean the screen if it is dirty.
11 Windage Tray
12 Bolt
• 15 Nm
13 Bolt
• 15 Nm
14 Oil Pan
• Removing and installing, refer to => [ Oil Pan ] Oil Pan.
• Clean the sealing surface before installing.
• Install using silicone sealant (D 176 404 A2).
15 Oil Drain Plug
• 30 Nm
• Always replace.
16 Bolt
• 10 Nm
17 Oil Level Thermal Sensor (G266)
• Black, 3 pin connector.
• Checking, refer to the vehicle diagnostic tester.
18 Seal
• Always replace.
19 Oil Pump
• With a pressure relief valve: 12 bar.
• Before installing, check to be sure both alignment sleeves are present (for the centering oil pump/cylinder block)
• Replace if running the surfaces and gears are scored.
20 Oil Pump Chain Sprocket
21 Bracket
• For the wiring harness for the oil level thermal sensor.
22 Bolt
• 20 Nm + an additional 90° (1/4) turn.
23 Chain
24 Bolt
• 25 Nm
• Install without sealant
25 Oil Spray Jet
• For piston cooling.