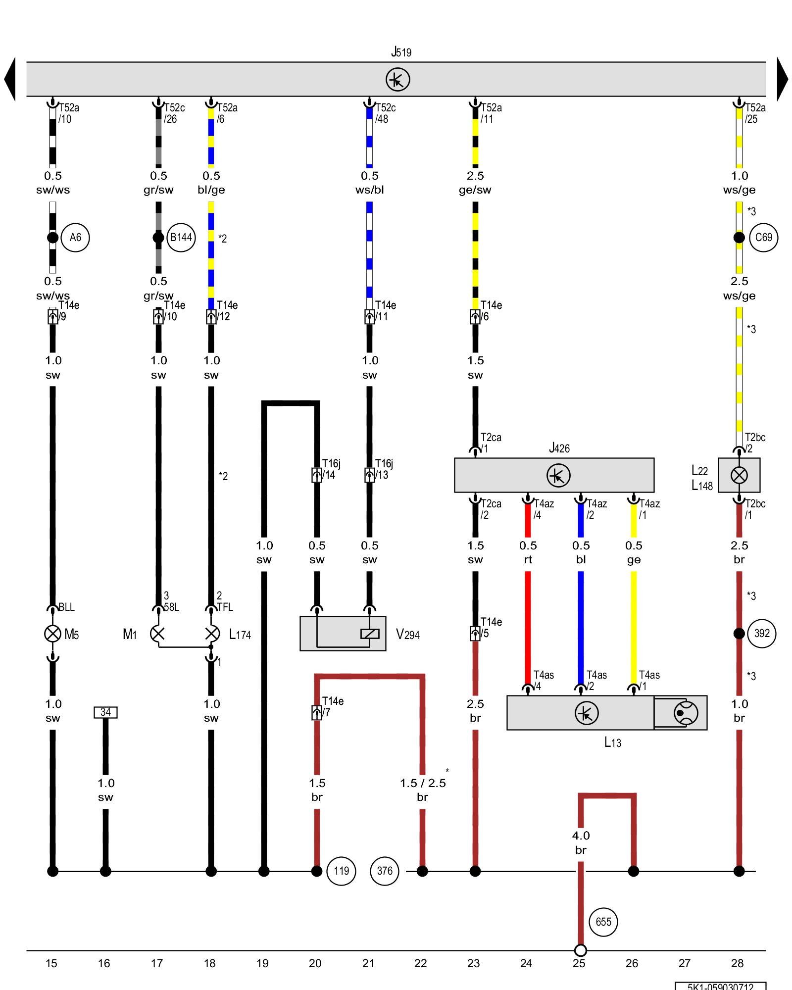
Diagram 59/3 (Tracks 15-28)
IMPORTANT NOTE:
This manufacturer uses "Track" style wiring diagrams.
For information on how to use these diagrams effectively, please refer to Diagram Information and Instructions. Diagram Information and Instructions
Left HID lamp ballast, Vehicle electrical system control module, Left HID headlamp bulb, Left front fog lamp bulb, Left cornering lamp bulb, Left daytime running lamp bulb, Left side marker lamp bulb, Left front turn signal bulb, Left low beam headlamp reflector motor

ws = white
sw = black
ro = red
br = brown
gn = green
bl = blue
gr = grey
li = lilac
ge = yellow
or = orange
rs = pink
J426 - Left HID lamp ballast, on the left headlamp
J519 - Vehicle electrical system control module Control modules in front part of vehicle - Overview of Control Modules
L13 - Left HID headlamp bulb
L22 - Left front fog lamp bulb
L148 - Left cornering lamp bulb
L174 - Left daytime running lamp bulb
M1 - Left side marker lamp bulb
M5 - Left front turn signal bulb
T2bc - Double connector
T2ca - Double connector
T4as - 4-pin connector
T4az - 4-pin connector
T14e - 14-pin connector, on the left headlamp
T16j - 16-pin connector, under the instrument panel, left
T52a - 52-pin connector
T52c - 52-pin connector
V294 - Left low beam headlamp reflector motor
(119) - Ground connection 1 (in headlamp wiring harness)
(376) - Ground connection 11 (in main wiring harness)
(392) - Ground connection 27 (in main wiring harness)
(655) - Ground connection on left headlamp Overview Of Ground Connections in Engine Compartment
(A6) - Left turn signal positive connection (in instrument panel wiring harness)
(B144) - Positive connection (58L) (in interior wiring harness)
(C69) - Fog lamp connection (in left front wiring harness)
* - from November 2009
*2 - Only for vehicles with daytime running lamps
*3 - Only for vehicles with fog lamps
Previous Diagram 59/2 (Tracks 1-14)
Next Diagram 59/4 (Tracks 29-42)