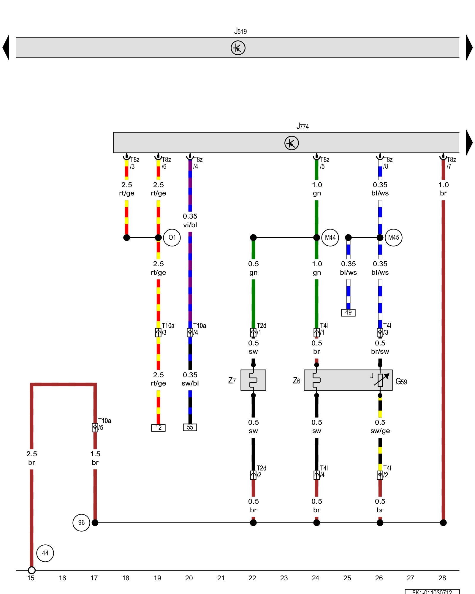
Diagram 11/3 (Tracks 15-28)
IMPORTANT NOTE:
This manufacturer uses "Track" style wiring diagrams.
For information on how to use these diagrams effectively, please refer to Diagram Information and Instructions. Diagram Information and Instructions
Heated driver seat temperature sensor, Vehicle electrical system control module, Front seat heating control module, Driver seat heating element, Driver backrest heating element

ws = white
sw = black
ro = red
br = brown
gn = green
bl = blue
gr = grey
li = lilac
ge = yellow
or = orange
rs = pink
G59 - Heated driver seat temperature sensor Heated Driver Seat -G59- / -Z6- / -Z31-
J519 - Vehicle electrical system control module Control modules in front part of vehicle - Overview of Control Modules
J774 - Front seat heating control module, under the driver seat Control Modules in The Rear Of The Vehicle [1][2]Diagrams
T2d - Double connector, under the driver seat
T4l - 4-pin connector, under the driver seat
T8z - 8-pin connector
T10a - 10-pin connector, under the driver seat Overview of connector stations and connectors
Z6 - Driver seat heating element Heated Driver Seat -G59- / -Z6- / -Z31-
Z7 - Driver backrest heating element Driver Backrest Heating Element -Z7-
(44) - Ground connection on A-pillar, lower left Overview Of Ground Connections in Interior
(96) - Ground connection 1 (in heated seats wiring harness)
(M44) - Connection 4 (in driver seat wiring harness)
(M45) - Connection 5 (in driver seat wiring harness)
(O1) - Positive connection (30) (in heated seats wiring harness)
Previous Diagram 11/2 (Tracks 1-14)
Next Diagram 11/4 (Tracks 29-42)