Operation CHARM: Car repair manuals for everyone.

Front Bucket Seat Bracket and Operating Lever







Front Bucket Seat Bracket and Operating Lever

The following describes removing and installing on the left side of the vehicle. Removing and installing on the right side is identical.

Removing

- Remove front seat. Refer to => [ Front Seat ] Front Seat

- Remove front left bucket seat trim. Refer to => [ Left Bucket Seat Trim ] Left Bucket Seat Trim

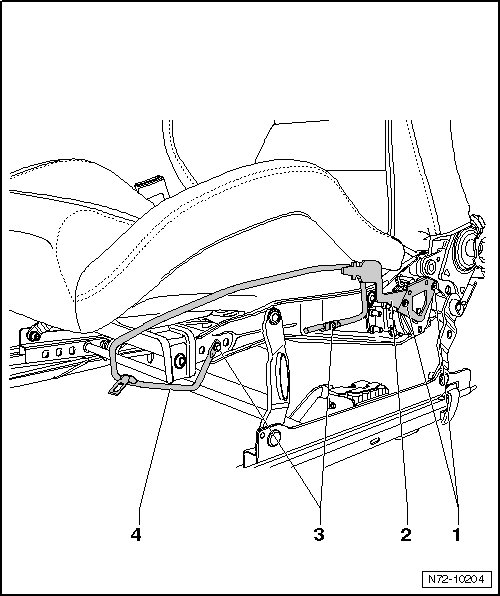
As of MY 10, the bracket - 4 - is riveted to the seat pan with bolts - 1 - and - 3 -. Drill out the blind rivet to remove the bracket.

- Remove the two bolts - 1 - (3.5 Nm) and remove operating lever - 2 -.

- Remove the two bolts - 3 - (3.5 Nm) and remove bracket - 4 -.






Installing

- Install in reverse order of removal.

Use pop rivet pliers (VAS 5072) to remove the blind rivets.