Operation CHARM: Car repair manuals for everyone.

Passive Occupant Detection System







Airbag Systems

Passive Occupant Detection System







2 - Seat occupied recognition control unit -J706-
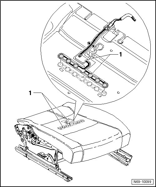
Seat cushion, mat for seat occupied recognition, control unit and pressure sensor are complementary components and must not be separated
Locations apply to both manual and power seats

5 - Pressure sensor for seat occupied recognition -G452-
Seat cushion, mat for seat occupied recognition, control unit and pressure sensor are complementary components and must not be separated
Locations apply to both manual and power seats



Seat Belt Force Sensor







1 - Seat belt force sensor for seat occupied recognition -G453-
Integrated with Front passenger side belt switch -E25-



Front Passenger Seat Occupied Sensor







1 - Front Passenger Seat Occupied Sensor -G128-