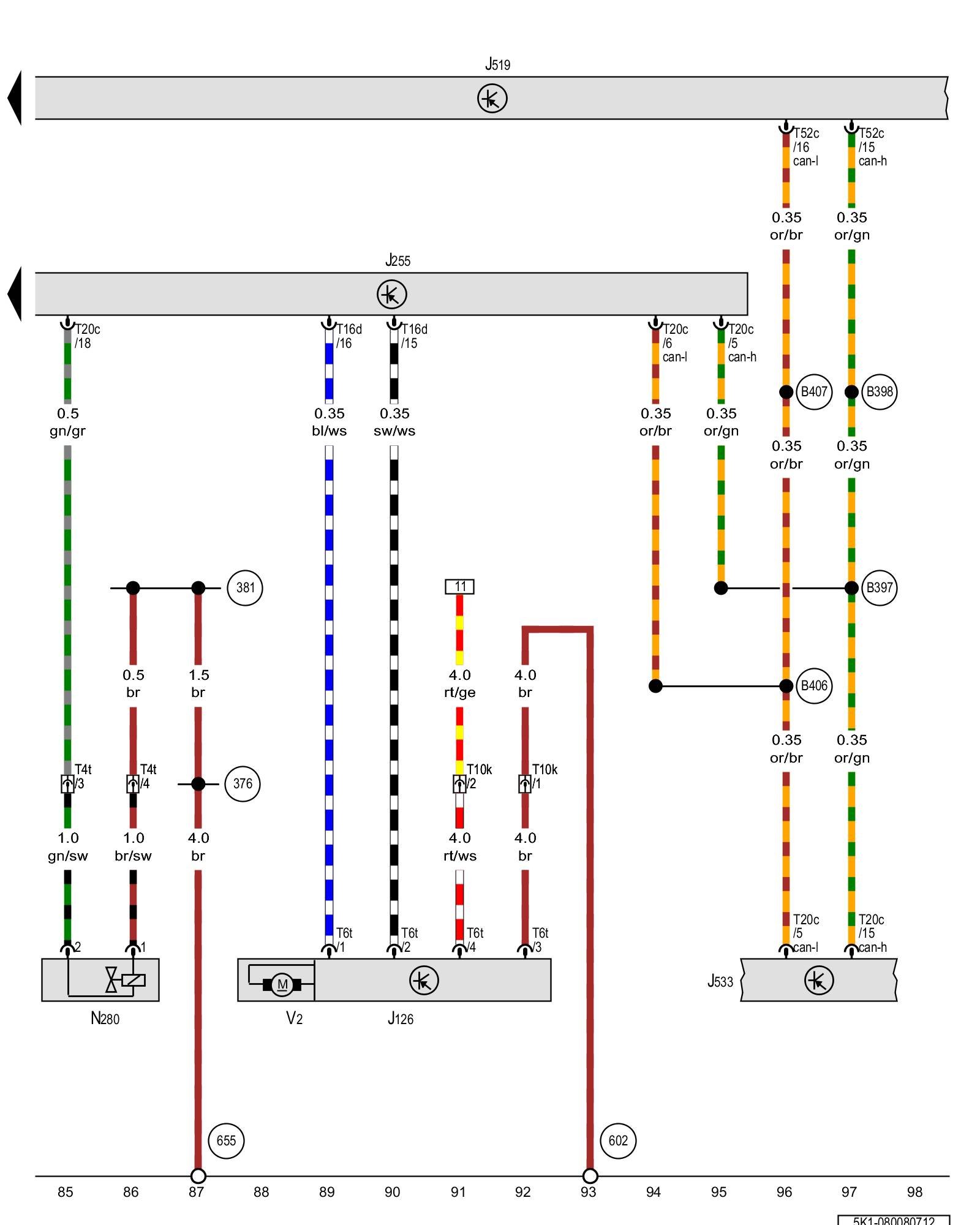
Diagram 80/8 (Tracks 85-98)
IMPORTANT NOTE:
This manufacturer uses "Track" style wiring diagrams.
For information on how to use these diagrams effectively, please refer to Diagram Information and Instructions. Diagram Information and Instructions
Fresh air blower control module, Climatronic control module, Data bus on board diagnostic interface, Fresh air blower

ws = white
sw = black
ro = red
br = brown
gn = green
bl = blue
gr = grey
li = lilac
ge = yellow
or = orange
rs = pink
J126 - Fresh air blower control module Control modules in front part of vehicle - Overview of Control Modules Climatronic (Automatic Climate Control) A/C System w/ Automatic Control Overview Fresh Air Blower Control Module -J126-
J255 - Climatronic control module, behind the center console Climatronic (Automatic Climate Control) A/C System w/ Automatic Control Overview Climatronic (Automatic Climate Control) Control Module -J255-
J519 - Vehicle electrical system control module Control modules in front part of vehicle - Overview of Control Modules
J533 - Data bus on board diagnostic interface, in the left footwell, near the center console Control modules in front part of vehicle - Overview of Control Modules
N280 - A/C compressor regulator valve Locations [1][2]Diagrams
T4t - 4-pin connector Overview of connector stations and connectors
T6t - 6-pin connector
T10k - 10-pin connector Overview of connector stations and connectors
T16d - 16-pin connector
T20c - 20-pin connector
T52c - 52-pin connector
V2 - Fresh air blower Climatic (Manual Climate Control) A/C System w/ Manual Control Overview [1][2]Blower Motor
(376) - Ground connection 11 (in main wiring harness)
(381) - Ground connection 16 (in main wiring harness)
(602) - Ground connection in left front footwell Overview Of Ground Connections in Interior
(655) - Ground connection on left headlamp Overview Of Ground Connections in Engine Compartment
(B397) - Comfort system CAN bus high connection 1 (in main wiring harness)
(B398) - Comfort system CAN bus high connection 2 (in main wiring harness)
(B406) - Comfort system CAN bus low connection 1 (in main wiring harness)
(B407) - Comfort system CAN bus low connection 2 (in main wiring harness)
Previous Diagram 80/7 (Tracks 71-84)