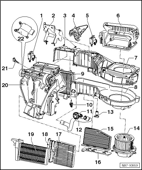
Heater and A/C Unit Overview, Manual Climate Control
Heater and A/C Unit Overview, Manual Climate Control

1 Temperature Regulator Door Motor (V68)
• Checking: use the vehicle diagnostic tester
• Removing and installing, refer to => [ Temperature Regulator Door Motor (V68) ] Temperature Regulator Door Motor (V68).
• Replacing: initiate the basic setting using the vehicle diagnostic tester.
2 Bracket
3 Screws
• It is necessary to remove the screws in order to separate the bracket from the air distribution and evaporator housing.
4 Cover
5 Fresh Air/Recirculating Air/Back Pressure Door Motor (V425)
• Checking: use the vehicle diagnostic tester
• Removing and installing, refer to => [ Fresh Air/Recirculating Air/Back Pressure Door Motor (V425) ] Fresh Air/Recirculating Air/Back Pressure Door Motor (V425).
6 Air Intake Housing
• With air recirculation door
7 Evaporator Housing Upper Section
• Evaporator housing, disassembling and assembling, refer to => [ Evaporator Housing ] Overhaul.
8 Lower section of evaporator housing
• Evaporator housing, disassembling and assembling, refer to => [ Evaporator Housing ] Overhaul.
9 Evaporator
• Removing and installing, refer to => [ Evaporator Housing ] Overhaul.
10 Evaporator Temperature Sensor (G308) or Evaporator Vent Temperature Sensor (G263)
• Checking: use the vehicle diagnostic tester
• One or both of the component designations will appear, depending on software. The tasks are the same.
• Removing and installing, refer to => [ Evaporator Temperature Sensor (G308) or Evaporator Vent Temperature Sensor (G263) ] Service and Repair.
11 Connection For Glove Compartment Cooling
12 Coolant Hose For Glove Compartment Cooling
13 Fresh Air Blower Series Resistor With Fuse (N24)
• Removing and installing, refer to => [ Fresh Air Blower Series Resistor with Fuse (N24) ] Service and Repair.
14 Fresh Air Blower (V2)
• Removing and installing, refer to => [ Fresh Air Blower (V2), Climatronic ] Fresh Air Blower (V2), Climatronic.
15 Dust and Pollen Filter
• With EVAP canister
• Removing and installing, refer to => [ Dust and Pollen Filter ] Service and Repair.
16 Cover
• For the dust and pollen filter
17 Heater Core
• Removing and installing, refer to => [ Heater Core ] Service and Repair.
18 Heater Core Trim
19 Auxiliary Heater Heating Element (Z35)
• From 03 November 2006
20 Air Distribution Housing
21 Footwell Outlet Temperature Sensor (G192)
22 Air Distribution Door Motor (V428)
• Checking: use the vehicle diagnostic tester
• Removing and installing, refer to => [ Air Distribution Door Motor (V428) ] Air Distribution Door Motor (V428).
• Replacing: initiate the basic setting using the vehicle diagnostic tester.