Heater and A/C Unit Overview, Climatic
Heater and A/C Unit Overview, Climatic

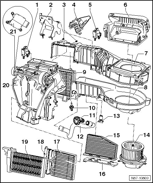
1 Temperature Regulator Door Motor (V68)
• Checking: use the vehicle diagnostic tester
• Removing and installing, refer to => [ Temperature Regulator Door Motor (V68) ] Temperature Regulator Door Motor (V68).
• Replacing: initiate the basic setting using the vehicle diagnostic tester.
2 Bracket
3 Screws
• It is necessary to remove the screws in order to separate the bracket from the air distribution and evaporator housing.
4 Cover
5 Recirculation Door Motor (V113)
• Checking: use the vehicle diagnostic tester
• Removing and installing, refer to => [ Recirculation Door Motor (V113) ] Recirculation Door Motor (V113).
• Replacing: initiate the basic setting using the vehicle diagnostic tester.
6 Air Intake Housing
• With recirculating air door
• Removing and installing, refer to => [ Air Intake Housing ] Air Intake Housing.
7 Evaporator Housing Upper Section
• Evaporator housing, disassembling and assembling, refer to => [ Evaporator Housing ] Overhaul.
8 Evaporator Housing Lower Section
• Evaporator housing, disassembling and assembling, refer to => [ Evaporator Housing ] Overhaul.
9 Evaporator
• Removing and installing, refer to => [ Evaporator ] Service and Repair.
10 Evaporator Temperature Sensor (G308) or Evaporator Vent Temperature Sensor (G263)
• Checking: use the vehicle diagnostic tester
• One or both of the component designations will appear, depending on software. The tasks are the same.
• Removing and installing, refer to => [ Evaporator Temperature Sensor (G308) or Evaporator Vent Temperature Sensor (G263) ] Service and Repair.
11 Connection For Glove Compartment Cooling
• Remove the glove compartment.
• Installation position of glove compartment cooling connection, refer to => [ Installation position of glove compartment
cooling connection ].
12 Cooling Hose For Glove Compartment Cooling
• Remove the glove compartment.
13 Fresh Air Blower Series Resistor With Fuse (N24)
• Removing and installing, refer to => [ Fresh Air Blower Series Resistor with Fuse (N24) ] Service and Repair.
14 Fresh Air Blower (V2)
• Removing and installing, refer to => [ Fresh Air Blower (V2), Manual Controls ] Fresh Air Blower (V2), Manual Controls.
15 Dust and Pollen Filter
• With activated charcoal filter
• Removing and installing, refer to => [ Dust and Pollen Filter ] Service and Repair.
16 Cover
• For dust and pollen filter
17 Heater Core
• Removing and installing, refer to => [ Heater Core ] Service and Repair.
18 Heater Core Trim
19 Auxiliary Heater Heating Element (Z35)
• Only on vehicles with Diesel engine without auxiliary heater.
• Checking: use the vehicle diagnostic tester under Heating, Ventilation and Air Conditioning; OBD-Capable Systems; Auxiliary Heater; Electrical Components.
20 Air Distribution Housing
• Removing and installing, refer to => [ Air Distribution Housing ] Air Distribution Housing.
21 Air Distribution Door Motor (V428) With Air Distribution Door Motor Position Sensor (G645)
• Checking: use the vehicle diagnostic tester
• Removing and installing, refer to => [ Air Distribution Door Motor (V428) ] Air Distribution Door Motor (V428).
• Replacing: initiate the basic setting using the vehicle diagnostic tester.
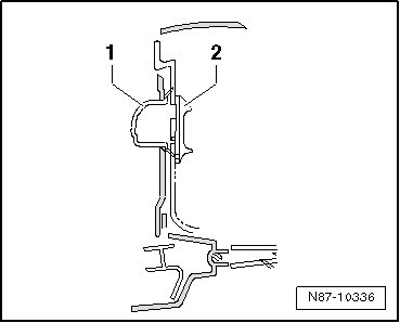
Installation position of glove compartment cooling connection

1 Connection
2 Valve