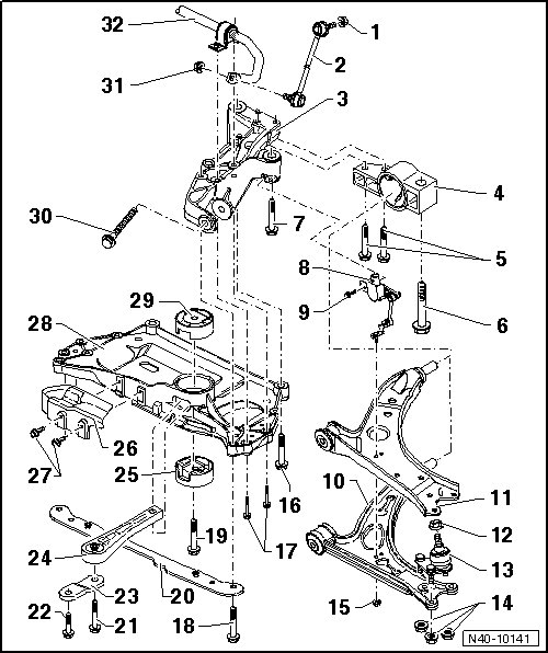
Subframe, Stabilizer Bar and Control Arms Assembly Overview
Subframe, Stabilizer Bar and Control Arms Assembly Overview
• Welding and straightening work on supporting or wheel carrying components of suspension is not permitted.
• Always replace self-locking nuts.
• Always replace corroded bolts/nuts.

1 Nut
• 65 Nm
• When tightening, counterhold on hex socket head of joint bolt.
• Self-locking
• Always replace if removed.
2 Coupling Rod
• Linking stabilizer to suspension strut.
3 Bracket
• Locating, refer to => [ Securing Console ] Front Suspension.
• If a console is replaced, alignment must be checked. Refer to => [ Wheel Alignment ] Wheel Alignment.
4 Mounting Bracket
• Locating, refer to => [ Securing Mounting Bracket ] Front Suspension.
• With bonded rubber bushing
5 Bolt
• 50 Nm + 90° turn
• Always replace if removed.
6 Bolt
• M12 x 1.5 x 90
• 70 Nm + 90° turn
• Always replace if removed.
7 Bolt
• M12 x 1.5 x 90
• 70 Nm + 90° turn
• Always replace if removed.
8 Left Front Level Control System Sensor (G78)
• Removing and installing, refer to => [ Front Left Level Control System Sensor ] Front Left Level Control System Sensor.
• Can be checked in Guided Fault Finding using the vehicle diagnosis, testing and information system (VAS 5051B).
9 Bolt
• 9 Nm
10 Control Arm
• It is possible there are different control arm versions (steel, aluminum).
• For the correct allocation, refer to the Electronic Parts Catalog (ETKA).
• Do not install control arms made of different materials on the right and left sides.
• Replace with ball joint if damaged.
• Removing and installing, refer to => [ Control Arm with Mounting Bracket ] Control Arm With Mounting Bracket.
• Replace bearing, refer to => [ Control Arm Bonded Rubber Bushing ] Service and Repair.
11 Control Arm
• it is possible there are different control arm versions (welded sheet steel, single sheet steel).
• For the correct allocation, refer to the Electronic Parts Catalog (ETKA).
• It is permissible to interchange control arms welded sheet steel, single sheet steel, from right to left.
• Replace with ball joint if damaged.
• Removing and installing, refer to => [ Control Arm with Mounting Bracket ] Control Arm With Mounting Bracket.
• Replace bearing, refer to => [ Control Arm Bonded Rubber Bushing ] Service and Repair.
12 Nut
• M12 x 1.5
• 60 Nm
• Self-locking
• Always replace if removed.
13 Ball Joint
• Checking, refer to => [ Ball Joint, Checking ] Procedures.
• Removing and installing, refer to => [ Ball Joint ] Removal and Replacement.
• Replace with control arm if damaged.
14 Nut
• Cast steel control arm: 60 Nm
• Steel and aluminum control arms: 100 Nm
• Self-locking
• Always replace if removed.
15 Nut
• 9 Nm
• Self-locking
• Always replace if removed.
16 Bolt
• M12 x 1.5 x 100
• 70 Nm + 90° turn
• Always replace if removed.
17 Bolt
• 20 Nm + 90° turn
• Always replace if removed.
18 Bolt
• M12 x 1.5 x 75
• 70 Nm + 90° turn
• Always replace if removed.
19 Bolt
• M14 x 1.5 x 70
• 100 Nm + 90° turn
• Only tighten when pendulum support is bolted to transmission.
• Always replace if removed.
20 Underbody Protection Bracket
• For the correct allocation, refer to the Electronic Parts Catalog (ETKA).
21 Bolt
• M10 x 75
• 50 Nm + 90° turn
• Always replace if removed.
22 Bolt
• M10 x 35
• 50 Nm + 90° turn
• Always replace if removed.
23 Bracket on Pendulum Support
• No replacement part
24 Pendulum Support
• Bolt first to transmission, then to subframe.
• Various versions.
• For the correct allocation, refer to the Electronic Parts Catalog (ETKA).
25 Lower Bonded Rubber Bushing for Pendulum Support
• Pressing out and in for vehicles with FWD, refer to => [ Subframe Bonded Rubber Bushing, FWD ] Subframe Bonded Rubber Bushing, FWD.
• Pressing out and in for vehicles with AWD, refer to => [ Subframe Bonded Rubber Bushing, AWD ] Subframe Bonded Rubber Bushing, AWD.
• For the correct allocation, refer to the Electronic Parts Catalog (ETKA).
26 Shield
• For FWD vehicles only.
27 Bolt
• 6 Nm
• Self-tapping
28 Subframe
• Various versions.
• Removing and installing without steering gear, refer to => [ Subframe without Steering Gear ] Subframe Without Steering Gear.
• Removing and installing with steering gear, refer to => [ Subframe with Steering Gear ] Subframe With Steering Gear.
• For the correct allocation, refer to the Electronic Parts Catalog (ETKA).
29 Upper Bonded Rubber Bushing for Pendulum Support
• Pressing out and in for vehicles with FWD, refer to => [ Subframe Bonded Rubber Bushing, FWD ] Subframe Bonded Rubber Bushing, FWD.
• Pressing out and in for vehicles with AWD, refer to => [ Subframe Bonded Rubber Bushing, AWD ] Subframe Bonded Rubber Bushing, AWD.
• For the correct allocation, refer to the Electronic Parts Catalog (ETKA).
30 Bolt
• M12 x 1.5 x 110
• 70 Nm + 90° turn
• Always replace if removed.
• Always tighten threaded connections in curb weight position. Refer to => [ Wheel Bearing, Lifting to Curb Weight Position ] Procedures.
31 Nut
• 65 Nm
• When tightening, counterhold on hex socket head of joint bolt.
• Self-locking
• Always replace if removed.
32 Stabilizer Bar
• Various versions.
• For the correct allocation, refer to the Electronic Parts Catalog (ETKA).
• Removing and installing, refer to => [ Stabilizer Bar ] Stabilizer Bar.
Identifying the Pendulum Support Bonded Rubber Bushing

• There are two different versions of the pendulum support bonded rubber bushing: the T version - I - and the V version - II -.
• For the correct allocation, refer to the Electronic Parts Catalog (ETKA).
I The corners on the inner core - 1 - face toward the opening for the pendulum support - arrow - (T version).
II The corners on the inner core - 2 - face away from the opening for the pendulum support - arrow - (V version).