Operation CHARM: Car repair manuals for everyone.

Golf R






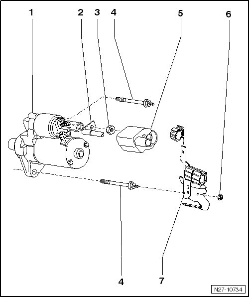
Starter Overview






1 - Starter

Removing and installing, refer to => [ Starter ] Service and Repair.

Checking, refer to => [ Starter, Checking ] Testing and Inspection.

2 - Connection B+ Wire to Starter

3 - Mounting Nut B+ Wire to Starter

15 Nm

M8

4 - Starter Bolts

80 Nm

M12

5 - Cap

6 - Mounting Nuts, Wiring Bracket

23 Nm

M8

7 - Wiring Bracket

- - Mounting Bolt, Air Filter Housing to Body

not illustrated

10 Nm